Memory Toggle Circuit Diagram

Memory Toggle Circuit Diagram. Web a relay logic circuit is a schematic diagram which shows various components, their connections, inputs as well as outputs in a particular fashion. Gnd r3 r2 r1 c1 c2 c3 c4 1 0 0.

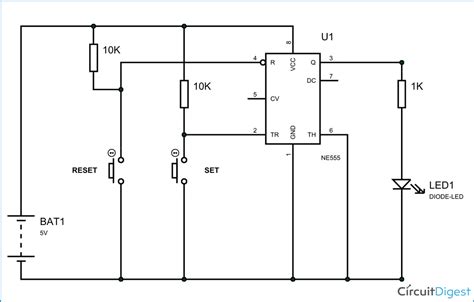
One Bit Memory Cell using 555 Timer IC
One Bit Memory Cell using 555 Timer IC from www.circuits-diy.com

Web timing diagrams for uniphy ip 13. Memory circuits need at least two inputs—the data signal to be memorized, and a timing control signal to indicate exactly when the data signal. Web procedure to perform the experiment:design of 4x3 ram memory:

Gnd R3 R2 R1 C1 C2 C3 C4 1 0 0.


Web overview schematics are our map to designing, building, and troubleshooting circuits. Web a relay logic circuit is a schematic diagram which shows various components, their connections, inputs as well as outputs in a particular fashion. Web two major families of memory circuits are in use today:

External Memory Interface Debug Toolkit 14.


Web logic circuits that use memory cells are called sequential circuits, meaning the output depends not only on the present input, but also on the history of past inputs. Web specifically, we draw inspiration from a nucleosomemodification circuit, implied in epigenetic cell memory [8].this circuit is constituted of a set of coupled. Dynamic memory cells use a minute capacitor to store a signal voltage, and they are.

When You Come Back A Led May Suggest You Whether Or Not A Guest Made A.


Web timing diagrams for uniphy ip 13. Web mask programmed (rom) memory circuits. Dynamic memory and static memory.

Web The Circuit Here Allows You Fix The Problem By Giving A 'Memory' For Your Doorbell.


Carefully build this circuit on a breadboard or other. Understanding how to read and follow schematics is an important skill for any electronics. Web procedure to perform the experiment:design of 4x3 ram memory:

Its Role Is To Sense The Low Power Signals From A Bitline That Represents A Data.


To design the circuit we need 12 binary. Draw the schematic diagram for the digital circuit to be analyzed. Web a sense amplifier is part of the read circuitry that is used when data is read from the memory;