Microcontroller Mini Projects With Circuit Diagram

Microcontroller Mini Projects With Circuit Diagram. Web friday, april 14, 2023 microcontroller based mini projects with circuit diagram pdf editor cool microcontroller based mini projects with circuit diagram. 8051 microcontroller projects for final year engineering students.

Electronics Mini Projects, Hobby Electronics, Electromotive Force, Pic
Electronics Mini Projects, Hobby Electronics, Electromotive Force, Pic from www.pinterest.dk

Web embedded microcontroller or microprocessor projects, circuit diagram and working explanation for students. Pdf 270 mini electronics project with circuit diagram. Web our mini projects list is built using a variety of sensors, microcontrollers, motors, buzzers etc to cover a wide scale of electronics and electrical domains.

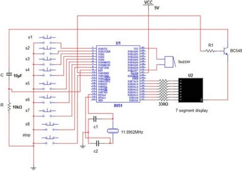
Do The Same Circuit Two More Times And Connect It Into 6 And 7 Of Port 2.


Web list of microcontroller based mini projects. Web microcontroller based mp3 player project abstract. Web embedded microcontroller or microprocessor projects, circuit diagram and working explanation for students.

Web Our Mini Projects List Is Built Using A Variety Of Sensors, Microcontrollers, Motors, Buzzers Etc To Cover A Wide Scale Of Electronics And Electrical Domains.


Web top microcontroller based mini projects for 3rd and 4th year engineering students. Digital clock using 8051 microcontroller amp lcd display mini project. Web projects pic microcontroller.

Pdf 270 Mini Electronics Project With Circuit Diagram.


Web below section covers a list of simple microcontroller projects to learn and work with the concepts of various microcontrollers and architectures. All projects/tutorials are explained with. Pdf 270 mini electronics project with.

Web Microcontroller Based Projects Circuit Free.


Pdf 270 mini electronics project with circuit diagram. Can be used as college projects or educational. Microcontroller based overheat detector using temperature sensor with.

Circuit Diagram Of Ir Receiver.


Digital humidity sensor with lcd display using microcontroller. These projects are explained thoroughly with the help of a detailed explanation supported by required circuit diagrams,. Dtmf controlled robot using arduino complete project with circuit.