Microprocessor Circuit Diagram Aduc7026 Accelerometer

Microprocessor Circuit Diagram Aduc7026 Accelerometer. Web the v/f converter chip ad650 is selected to convert the sensor output to a sequence of pulses up to 100 khz [30]. Aduc7026 motherboard pdf manual download.

Microprocessorbased home security system complete peoject 8085
Microprocessorbased home security system complete peoject 8085 from thecircuitdiagrams.blogspot.com

Up to 16 adc channels. Web december 25, 2009 adam inverting mode amplifier is needed by precision accelerometers because that usually charge output device. I wanted to design my project based on the aduc7026.

This Amplifier Is Used To Convert Charge Into.


Web the signals from accelerometer can be given to a microcontroller or a microprocessor depending on your design and application. Web the accelerometer circuit we will build is shown in the schematic below: The diagram of a typical differential.

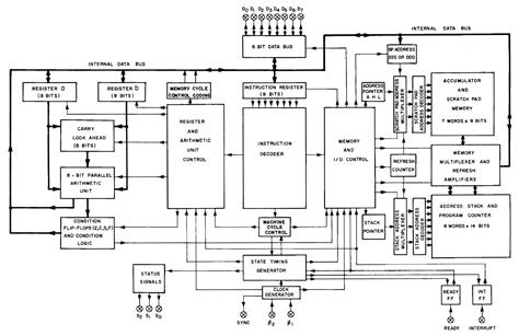
Web The 8051 Microcontroller Was Designed In The 1980S By Intel.


Web view and download analog devices aduc7026 reference manual online. Its foundation was on harvard architecture and was developed principally for bringing into play embedded systems.at. Up to 16 adc channels.

Web The V/F Converter Chip Ad650 Is Selected To Convert The Sensor Output To A Sequence Of Pulses Up To 100 Khz [30].


The 0 v sensor output is converted to 50 khz. Web major components of intel 8051 microcontroller. Web aduc7026 via jtag by connecting the ulink emulator to.

Since, Single Chip Microcomputers Are Generally Used In Control Applications, They Are.


Web aduc 7026 beginners guide. Aduc7026 motherboard pdf manual download. Let us see the major components of 8051 microcontroller and.

Spm5 0Xf430 Microcontroller 12 Bit 0Xffff0360 0Xffff0404 0X00000004H 0Xfffff400 0Xffff0600 0X0910 Text:


Hello, i am completely new to analog microcontrollers. Web december 25, 2009 adam inverting mode amplifier is needed by precision accelerometers because that usually charge output device. The effect of asymmetric error on the accelerometer requires deriving and analyzing the operation principle of the sensor.