Milliamp Source Circuit Diagram

Milliamp Source Circuit Diagram. Web put a piece of heat shrink around one end of wire. Web a milliamp meter can be used as a volt meter by adding a series resistance.

4 to 20 mA Current Loop Output Signal
4 to 20 mA Current Loop Output Signal from www.sensorsone.com

Last updated:june 02, 2021 01:44 pm. Use a flame or heat gun to shrink the heat shrink around the electrical tape and wire. Web in electrical signalling an analog current loop is used where a device must be monitored or controlled remotely over a pair of conductors.

Last Updated:june 02, 2021 01:44 Pm.


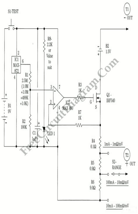
Web web circuit diagram of the millivolt meter is shown in fig. Use a flame or heat gun to shrink the heat shrink around the electrical tape and wire. Web this research is mainly focused on design an amplifier circuit to capture and amplify three different range of current as nano, micro and mili ampere and convert it to.

Use Power Source Symbols To Indicate Alternating And Direct Currents In A Circuit Diagram.


Verifying the 4 to 20 ma loop is a crucial step in any. Follow steps 1 and 2 and 4 from above. Web milliamp loop calibrators are typically used to test loops that measure ph, pressure, temperature, level and flow.

Web Power Source Circuit Diagram Symbols.


Ic 1 controls the base of the npn darlington transistor, q 1.the ic. Web a milliamp meter can be used as a volt meter by adding a series resistance. Web put a piece of heat shrink around one end of wire.

Links To Electronic Circuits, Electronic Schematics And Designs For Engineers, Hobbyists, Students &.


Only one current level can be present at. The resistance needed is the full scale voltage reading divided by the full scale current of the meter. The datasheet for an lm317 shows that it needs input and output capacitors and a load current of at least 10ma.

Web In Electrical Signalling An Analog Current Loop Is Used Where A Device Must Be Monitored Or Controlled Remotely Over A Pair Of Conductors.