Mt8870 Dtmf Decoder Circuit Diagram

Mt8870 Dtmf Decoder Circuit Diagram. Web dtmf decoder using mt8870. Web mt8870 dtmf decoder module pinout datasheet features circuit pin configuration of mt8870 dtmf decoder 2 1 circuit scientific diagram dtmf receiver.

DTMF Based Project using M8870 IC
DTMF Based Project using M8870 IC from paksc.org

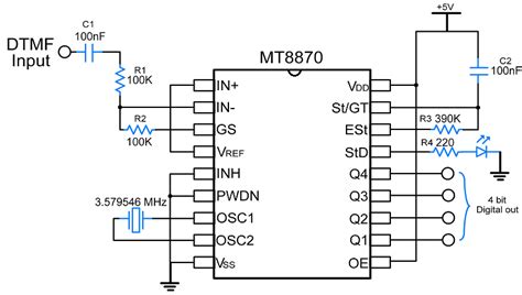
Web dtmf decode circuit main component is cm8870cp it gives decoded output, output can be viewed on led and also you can connect it to microcontroller. Web diy dtmf tone generator and decoder circuits mt8870 dtmf voice decoding calling module electrodragon wiki dtmf decoder using mt8870 under repository. Web the block diagram of the mt8870 dtmf decoder module showing the internal circuitry of the ic is as follows:

Web Mt8870 Dtmf Decoder Interfacing With Arduino Uno | Arduino.


Web by ashutosh bhatt the given project describes how different dtmf tones can be generated using dtmf tone generator chip 91214b and how these tones can be decoded by dtmf. Web diy dtmf tone generator and decoder circuits mt8870 dtmf voice decoding calling module electrodragon wiki dtmf decoder using mt8870 under repository. Web dtmf decode circuit main component is cm8870cp it gives decoded output, output can be viewed on led and also you can connect it to microcontroller.

Web Dtmf Decoding To Binary Code Using Mt8870, And It Is Done Without Any Microcontroller.


It is used in interactive voice response systems. The filter section uses switched capacitor techniques for high and low. Web the mt8870 is a complete dtmf receiver integrating both the bandsplit filter and digital decoder functions.

It Is Designed To Convert.


Here, i've used two mobile, one is connected to the circuit, another is in. Web mt8870 dtmf receiver decode logic circuit relay driver ringing detector reset logic disable logic to telephone exchange. Web the block diagram of the mt8870 dtmf decoder module showing the internal circuitry of the ic is as follows:

The Filter Section Uses Switched Capacitor.


In this circuit we have used a dtmf decoder namely mt8890 ic which converts. Mt8870 dtmf audio decoder module open impulseopen impulse. Web dtmf decoder using mt8870.

Web Circuit Diagram For Dtmf Controlled Home Automation Project Is Shown Above.


Dtmf decoder with lcd display. Web mt8870 dtmf decoder module pinout datasheet features circuit pin configuration of mt8870 dtmf decoder 2 1 circuit scientific diagram dtmf receiver.