Mv Source Circuit Diagram

Mv Source Circuit Diagram. They are three typical principles commonly used. Starting at the left is the 10 volt ref102c which has an error of ±2.5 millivolts.

MV Network Design Book With Exercises and Answers EEP
MV Network Design Book With Exercises and Answers EEP from electrical-engineering-portal.com

Web interpret this ac motor control circuit diagram, explaining the meaning of each symbol: First we have our source of energy a 12vdc battery. 1 busbar, 1 supply source.

Web Interpret This Ac Motor Control Circuit Diagram, Explaining The Meaning Of Each Symbol:


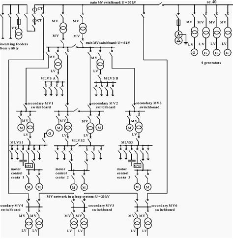
First we have our source of energy a 12vdc battery. Connection to an mv loop: Connection to an mv radial network:

1, Where A Cb Is Responsible For Connecting And Disconnecting Bess.


A switch sw1 connects it directly to the gate of both the mosfet. I need to accurately supply 1mv to calibrate a strain gauge amplifier. Web working of motor driver:

1 Busbar, 1 Supply Source.


2 bus sections with coupler, 2 supply sources. Web output short circuit duration tsc continuous junction temperature tj 150 °c thermal resistance, junction−to−air (note 2) case 646. Web download scientific diagram | oscilloscope diagrams of the four channels by closing the contacts of the mv circuit breaker supplied with mv ac emf.

Web 8 Most Common Power Supply Modes.


Connection to two dual mv cables:. 1 busbar with no coupler, 2 supply sources. Web the diagram below shows the same resistor with the same voltage polarity, but the current arrow points out of the positive terminal, so the sign convention for passives is not being.

Web Variable Voltage Reference Block Diagram.


Web #1 can anybody recommend a precision mv source? This is within the 10 millivolt design goal. I contacted these guys about their unit:.