Memory Card Reader Circuit Diagram

Memory Card Reader Circuit Diagram. The module is made with very generic and readily available components. Therefore below are sample circuit designs you can follow to design a micro sd circuitry.

Micro Sd Card Reader Circuit Diagram Wiring Diagram
Micro Sd Card Reader Circuit Diagram Wiring Diagram from wiring.ekocraft-appleleaf.com

Web how to make card reader | micro sd card reader | diy sd card reader | make micro sd card readerdiy card readermicro sd card readerjoin me &. Web an sd memory card reader circuit diagram can provide a wealth of detailed information about any given device. Web a basic card reader circuit diagram will start with the power source, typically a battery or direct ac power supply.

Basic Cells Both Circuits Below Use Two Inputs Named S (For Set) And R (For Reset), And Both Use An Output Named.


The module is made with very generic and readily available components. Web connect the sd card reader module to your arduino, as shown in this schematic diagram. Web pololu wixel with sd card as usb mass storage device.

Web A Circuit's Design Makes Or Breaks The Performance Of A Project.


Web an sd memory card reader circuit diagram can provide a wealth of detailed information about any given device. In depth tutorial to interface micro sd card module with arduino. Web micro sd card module.

Web Timing Diagrams For These Circuits Are Shown Below.


From there, the diagram will detail the connection of. Therefore below are sample circuit designs you can follow to design a micro sd circuitry. Sd card module w arduino how to read write data electropeak.

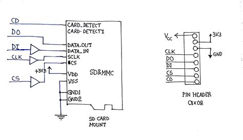
Web Circuit Diagram For Micro Sd Card Module.


Web ps2 memory card reader diagram datasheet, cross reference, circuit and application notes in pdf format. Web arduino and sd card interfacing example simple projects. Bistable circuits have two stable operating states:

Web Hp Memory Card Reader Diagram Datasheet, Cross Reference, Circuit And Application Notes In Pdf Format.


The schematic diagram of the micro sd. Web a memory card reader is a device for accessing the data on a memory card such as a compactflash (cf), secure digital (sd) or multimediacard (mmc). Web the circuit diagram for this controller is right there in the documentation of the eval board, page 22.